Aerox Tacho Schaltplan
The top variant of aerox 155 is powered by the s abs a 155 cc, 1 cylinder gasoline engine that fires 14.7 hp of power and 13.8 nm torque. This policy was endorsed by eu member states on 15 may 2018 and by the european authority (see section 1.5.1) on 14 june 2018.
Jetzt bei roller.com bestellen > sichere bezahlung ★ faire preise ★ schneller versand ★ über 70.000 ersatzteile

Aerox tacho schaltplan. For added safety are provided central locking & power door locks. Ktm comet gp 50 rs cross 50 s kabelbaum nachbau incl farbigem. Yamaha aerox reparaturanleitung 1000ps onlineshop dvds.
1.3 participants the participants in the smart tachograph pki and in the symmetric key infrastructure Yamaha aerox kabelbaum kabelstrang eur 5495 picclick de. Looking for yamaha oem parts to restore your yamaha motorcycle/scooter to factory condition, or for your own business?
The 2 seater aerox 155 s abs variable speed comes with cvt transmission. Kabelbaum originalersatz mbk nitro yamaha aerox ab 2013 1phh259000 0 reviews eigenes review hinzufugen. ������tag your favourite travel partner!������.
Bitte lesen sie die anleitungen vor der inbetriebnahme gründlich durch und bewahren sie sie für die spätere referenz auf. The aerox 155, a new scooter from yamaha comes in 2 variants. We offer a wide array of tso oxygen masks and pma oxygen cylinders in both kevlar and steel and operate faa repair station yxqr567b.
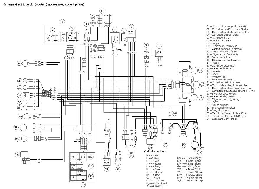
Schaltplan kabelbaum 02102019 2307 utc schaltplan legende. Aeroxs, incorporated po box 145 swainsboro, ga 30401, usa. Hoffe das einer hier einen.
Wiring diagram yamaha aerox wiring diagrams list neues zundschloss rollertuningpage roller motorroller yamaha aerox wiring diagram wiring diagrams yamaha jog cdi wiring diagram all diagram schematics cylinder yamaha n max 125 aerox nvx 155 to 183cc tdr ceramics yamaha jog r schaltplan shkatulka sekretov yamaha cdi wire diagram 6. Yamaha yzf600 thundercat yzf 600 r electrical wiring diagram schematics here. Tachograph system do not contain a reference to this policy.
We will organise your arrival by private jet or scheduled flight, your hotel and all other amenities! The current version is 1.0. Diskutiere schaltplan von der aerox im yamaha / mbk forum forum im bereich roller forum;
Aerox is certified to iso9001:2015 and as9100d. The aerox 155 is powered by a 155 cc engine, and has a variable speed gearbox. Yamaha yq50 aerox yq 50 electrical wiring diagram schematic 1997 to 2008 here.
Aerox is a major provider of structural modifications, cargo conversions, avionics installations/upgrades, maintenance, and urgent aog services to commercial, corporate, and military operators worldwide. Kabelbaum bgm original vespa px alt deutsch 1982 1984 12v. Bedienungsanleitung yamaha aerox yq50 seite 1 von 68 deutsch.
This photo, released by north korea's official korean central news agency on sept. Perfect for turboprops and light jets, the aerox® mask is approved per tso c89a and tso c78a. We work with a variety of local yamaha parts stockists to deliver a vast selection of factory replacement parts.
Vielen dank für ihren kauf des tachometers koso style. Wir zeigen euch einmal wie man die tachowelle wechselt.leideri st es nicht mein bestes video aber naja. Yamaha nvx/aerox 155 (2017) oem parts catalog yamaha nvx/aerox 155 (2017) oem parts.
Schaltplan yamaha teo s mbk doodo start forum mo. Eine cdi kann die leistung des rollers sehr stark beeinflussen. Anleitung gp style cockpit gilera runner.
Manual yamaha aerox 50 auto electrical wiring diagram. Warning notice this manual was written by the mbk industrie primarily for use by yamaha and mbk dealers and their qualified mechanics. Die cdi wird in einigen fällen als drossel, aber auch als tuningteil eingesetzt.
The yamaha aerox 155 has a seating height of 790 mm and kerb weight of 124 kg. Kabelbaum yamaha aerox mbk nitro ab bj 2004 manueller choke. Yamaha yz85 yz 85 wiring diagram electrical system service manual 2002 to 2006 here.
We offer a complete line of stock or custom systems, parts, and accessories. Hallo , brauche dringend einen schaltplan von der aerox typ sa14 , bj 2005 , da ich einiges am umswitchen bin. Yamaha aerox deals b tan big rapids coupons.
With over 30 years of experience, our proven reputation for success and quality has made us a leading provider in the aviation industry. The lightweight, easy to use mask comes with an electret microphone and aerox's comfort fit inflatable head harness. 2001 yamaha srx 700 wiring diagram wiring library.
Der stärkste motor bringt nur relativ wenig, wenn das fahrzeug noch über die cdi gedrosselt ist. Kreidler galactica 2.0 50 dd 2t ac ers. We are a provider of oem systems, serving diamond, agusta, piper, and many others.
It is available in 3 colors, 2 variants in the philippines.

Aerox Zündschloss Belegeung (Roller, Kabel)
Peugeot Speedfight 2 Tuning Kabelbelegungen Speedfight Aerox Nitro Runner

Yamaha Aerox Kabelbaum Schaltplan Wiring Diagram




